|
 |
| HOME > PRODUCTS > BUTTERFLY VALVE > DOUBLE DISK BUTTERFLY VALVE |
 |
 |
 |
|
 |
- Specification : 200mm ~ 3000mm
- Operation Mode : Manual, Electric, Hydraulic, Pneumatic
- Operation Pressure : 4.5kgf/cm² ~ 20 kgf/cm²
- Type : Horizontal, Vertical
- Certificate :
KS (No. 2333, 4096)
Certificate of Designation of Excellent Product (No. 2005094)
Excellent Performance Certificate (No. 15-039)
GQ (No.223)
Certificate of New Excellent Product
(No. Certificate of New Excellent Product -2003-052) |
|
 |
|
| |
 |
ㅁ The double blocking system with two disks makes it possible to control flow.
ㅁ The valve seat is pressed to the disk seat by its own pressure.
ㅁ Pressure inside of the pipe pushes the rubber seat of the valve body through the valve leakage preventer to have the
valve body seat pressed hard to the disk seat for better leakage prevention.
ㅁ Since external pressure can be applied during repair work to prevent leakage perfectly, it can be serviced quickly.
ㅁ The seal consists of the metal seat (disk) and the rubber seat (body). |
| |
| |
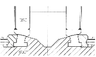
Section View of the Seat |
| Section |
 |
| Flow Control |
Very Good (Positive Pressure) |
| Pressure |
4.5kgf/cm² ~ 20 kgf/cm² |
| Features |
The projection height of the rubber seat is very low and can be controllable.
Since it is located deep inside of the body, the rubber seeat is not damaged from tuberculation. |
|
|
|
DOUBLE DISK BUTTERFLY VALVE |
|
|